enquiries For Inquiries: [email protected]
0
Item(s) in cart

Father's Day Special: Enjoy Free Shipping on all Makita Tool Parts & Accessories

modal

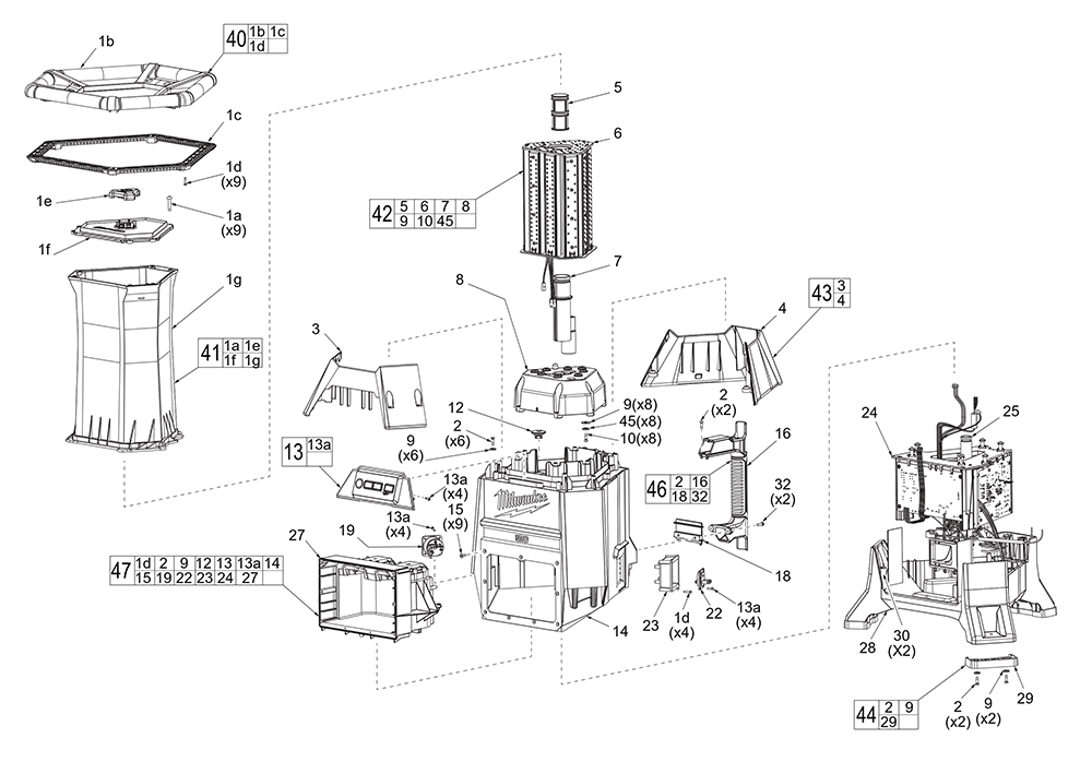
Milwaukee 2151-20-(J42A)  Replacement Parts  

Model: 2151-20-(J42A)

Brand: Milwaukee

Download Schematics

Recently Viewed

    Buy Milwaukee 2151-20-(J42A) Flashlight and Fan Parts

    Fig-0
    Milwaukee 2151-20-(J42A) Parts Schematic
    Page-1 Fig-0
    Reference Filter: Filter parts list by name or model number:

    You might be interested in popular Hand Tool categories:

    Open Modal