Days
:
Hours
:
Min
:
Sec
enquiries For Inquiries: [email protected]
0
Item(s) in cart

Father's Day Special: Enjoy Free Shipping on all Makita Tool Parts & Accessories

modal

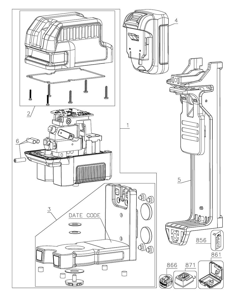
Dewalt DW0822LR-K Type-1  Replacement Parts  

Model: DW0822LR-K Type-1

Brand: DeWalt

Download Schematics

Recently Viewed

    Buy Dewalt DW0822LR-K Type-1 Laser and Level Parts

    Fig-0
    Dewalt DW0822LR-K Type-1 Parts Schematic
    Page-1 Fig-0
    Reference Filter: Filter parts list by name or model number:

    You might be interested in popular Hand Tool categories:

    Dewalt DW0822LR-K Type-1 Replacement Parts List

    Open Modal