enquiries For Inquiries: [email protected]
0
Item(s) in cart

Father's Day Special: Enjoy Free Shipping on all Makita Tool Parts & Accessories

modal

Porter Cable CFFR350B-CA Type-0  Replacement Parts  

Model: CFFR350B-CA Type-0

Brand: Porter Cable

Download Schematics

Recently Viewed

    Buy Porter Cable CFFR350B-CA Type-0 Air Compressor Parts

    Fig-0
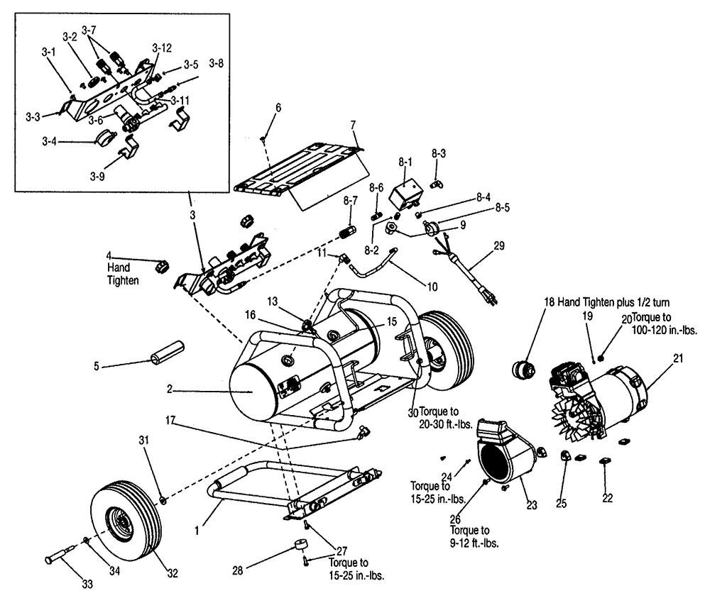
    Porter Cable CFFR350B-CA Type-0 Parts Schematic
    Page-1 Fig-0
    CFFR350B-CA-T0-portercable-PB-1Break Down Fig-1
    Reference Filter: Filter parts list by name or model number:

    You might be interested in popular Hand Tool categories:

    Porter Cable CFFR350B-CA Type-0 Replacement Parts List

    Open Modal